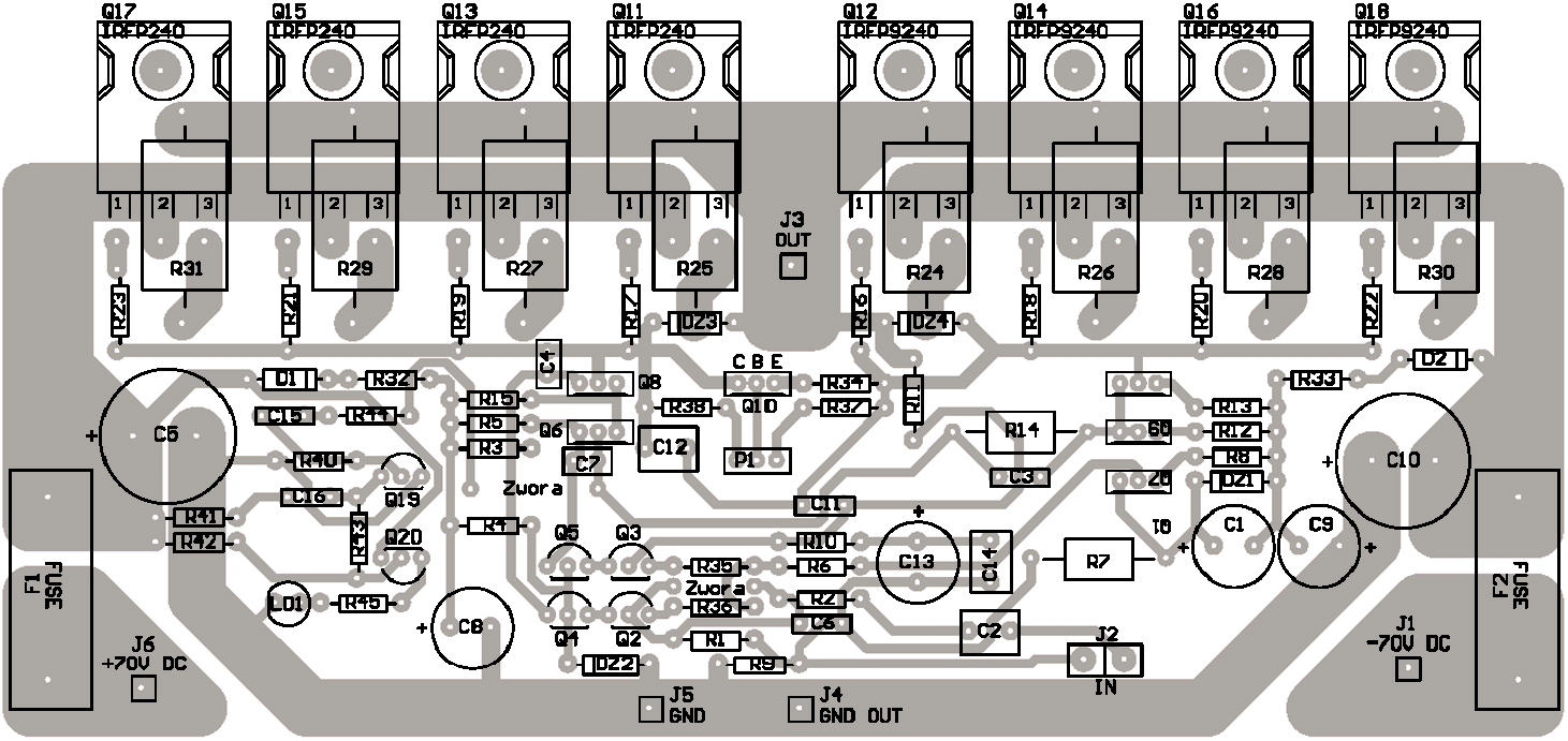
Etapa de potencia realizada con 8 transistores mosfet IRFP-240 el cual entrega una potencia de 400W con una carga de 4 ohmios.
Si te interesa este amplificador aquí puedes descargarte la documentación
Etapa de potencia realizada con 8 transistores mosfet IRFP-240 el cual entrega una potencia de 400W con una carga de 4 ohmios.
Si te interesa este amplificador aquí puedes descargarte la documentación
Juan
Necesito la contraseña del rar.. Muchas gracias
Pcalero
revisa tu correo
luis
revise el correo y no tengo nada todavia para descomprimir pdf
Pcalero
Te la he vuelto a mandar a tu correo
ramon
contraseña? por favor !! y gracias!!
Pcalero
“ELECTRONICA_PCM”
carlos paredes
me gustaria ver como funciona este amplificador desde ya muchas gracias
Pcalero
Bajate el archivo y revisa tu correo hay tienes la contraseña
luis salvador hernanadez
lista de componentes me interesa
Pcalero
Bajate el archivo y en tu correo tienes el passwor
maykel
la contraseña??
Pcalero
Revisa tu correo
sem
hola cual seria el pass?
Saludos
Pcalero
no dejad vuestro correo en los comentarios, ponerlo solo en el formulario, de otra forma sera visible para todo el mundo, gracias
sem
saludos
Pcalero
Ya te la he mandado por email
Ricardo De Céspedes
Por fabor el pass
Pcalero
Revisa tu correo.
Te animo a que te agregues al grupo https://www.facebook.com/groups/263101180770379/ para que veas más proyectos
un saludo
RENE ROMAN PEDRAZA
saludos, necesito la contraseña. saludos
Pcalero
La contraseña la tienes en tu correo te animo a que te agregues al grupo https://www.facebook.com/groups/263101180770379/ para que veas más proyectos
un saludo
oz
muy bueno graciasv y contraseña por fas
Pcalero
La contraseña la tienes en tu correo, te animo a que te agregues al grupo https://www.facebook.com/groups/263101180770379/ para que veas más proyectos
un saludo
Fernando martinez
Contraseña
Pcalero
La contraseña la tienes en tu correo
te animo a que te agregues al grupo https://www.facebook.com/groups/263101180770379/ para que veas más proyectos
un saludo
Alejandro
Tiene contraseña
Pcalero
La contraseña la tienes en tu correo
te animo a que te agregues al grupo https://www.facebook.com/groups/263101180770379/ para que veas más proyectos
un saludo
Marco Ramirez
Cual es el pass
Pcalero
https://www.facebook.com/groups/263101180770379/
Paco Ponce
Hola
Baje el PDF del amplificador 400w y me falta la contraseña para descomprimirlo.
Gracias
Pcalero
Revisa tu correo, te animo a que te agregues al grupo https://www.facebook.com/groups/263101180770379/ para que veas más proyectos
un saludo
Jesùs Peraza
Hermanito por favor enviame la clave
Pcalero
la contraseña la tienes en tu correo,te animo a que te agregues al grupo https://www.facebook.com/groups/263101180770379/ para que veas más proyectos
un saludo
Pcalero
La contraseña la tienes en tu correo revisalo, te animo a que te agregues al grupo https://www.facebook.com/groups/263101180770379/ para que veas más proyectos
un saludo
Wilfredo villa
Hola buenas noches sería tan amble de regalarme la contraseña de este proyecto para descomprimir el archivo gracias
juan carlos
la contrasenia para descomprimir el archivo ????
Pcalero
la contraseña la tienes en tu correo, te animo a que te agregues al grupo https://www.facebook.com/groups/263101180770379/ para que veas más proyectos
un saludo
Rgertel
Que buen aporte, enviame por favor la contraseña. Gracias.
diego
contr
Pcalero
La contraseña la tienes en tu correo revisalo, te animo a que te agregues al grupo https://www.facebook.com/groups/263101180770379/ para que veas más proyectos
un saludo
Andrés Botero H.
Gracias. Espero La Contraseña
Pcalero
La contraseña la tienes en tu correo revisalo, te animo a que te agregues al grupo https://www.facebook.com/groups/263101180770379/ para que veas más proyectos
un saludo
eliezel
Y la contraseña para descomprimir el archivo
Pcalero
La contraseña la tienes en tu correo revisalo, te animo a que te agregues al grupo https://www.facebook.com/groups/263101180770379/ para que veas más proyectos
un saludo
Cesar Murillo
Saludos amigo facilitame la contraseña d antemano gracias x l circuito
Pcalero
La contraseña la tienes en tu correo revisalo, te animo a que te agregues al grupo https://www.facebook.com/groups/263101180770379/ para que veas más proyectos
un saludo
Hugo b
Excelente amplificador, pass por favor
Pcalero
La contraseña la tienes en tu correo revisalo, te animo a que te agregues al grupo https://www.facebook.com/groups/263101180770379/ para que veas más proyectos
un saludo
Juan
Gracias por el circuito. Por favor, me pasas la contraseña?
Pcalero
La contraseña la tienes en tu correo revisalo, te animo a que te agregues al grupo https://www.facebook.com/groups/263101180770379/ para que veas más proyectos
un saludo
Luis Fuentes
I need password
Pcalero
La contraseña la tienes en tu correo te animo a que te agregues al grupo https://www.facebook.com/groups/263101180770379/ para que veas más proyectos
un saludo
Fabian
necesito la contraseña por favor
Pcalero
La contraseña la tienes en to correo, te animo a que te agregues al grupo https://www.facebook.com/groups/263101180770379/ para que veas más proyectos
un saludo
Juan Bernal
me interesan tus proyectos , podria tener la contraseña de RAR? gracias de antemano, ya mande solicitud al grupo de facebook
Pcalero
La contraseña la tienes en to correo, te animo a que te agregues al grupo https://www.facebook.com/groups/263101180770379/ para que veas más proyectos
un saludo
Raul sandoval
Tienes la contraseña del rar
Pcalero
La contraseña la tienes en tu correo te animo a que te agregues al grupo https://www.facebook.com/groups/263101180770379/ para que veas más proyectos
un saludo
Leonel Aldana
La contraseña, gracias.
Pcalero
La contraseña la tienes en tu correo, te animo a que te agregues al grupo https://www.facebook.com/groups/263101180770379/ para que veas más proyectos
un saludo
Yhofan ballon
Por favor Si puedes enviar LA comtrasena
Pcalero
La contraseña la tienes en tu correo, te animo a que te agregues al grupo https://www.facebook.com/groups/263101180770379/ para que veas más proyectos
un saludo
guillermo
estoy muy interesado en estos amplis buen aporte
Pcalero
La contraseña la tienes en tu correo, te animo a que te agregues al grupo https://www.facebook.com/groups/263101180770379/ para que veas más proyectos
un saludo
jose
El password?
Pcalero
La contraseña la tienes en tu correo, te animo a que te agregues al grupo https://www.facebook.com/groups/263101180770379/ para que veas más proyectos
un saludo
luis
hola me gustaria armar ese amplificador y recibir el pas para el pdf gracias saludos
Pcalero
Te la he vuelto a mandar a tu correo
Versain
Me podrias enviar la contraseña, por favor. y si ya soy miembro del grupo de face book.
Pcalero
La contraseña la tienes en tu correo, te animo a que te agregues al grupo https://www.facebook.com/groups/263101180770379/ para que veas más proyectos
un saludo
Ju_an
Hola necesito el pass, gracias
Pcalero
La contraseña la tienes en tu correo, te animo a que te agregues al grupo https://www.facebook.com/groups/263101180770379/ para que veas más proyectos
un saludo
luis vasquez
buyenas la contraseña gracias de ante mano
Pcalero
La contraseña la tienes en tu correo, te animo a que te agregues al grupo https://www.facebook.com/groups/263101180770379/ para que veas más proyectos
un saludo
mauricio mestra padilla
hola buenos dias tengo sonido y quiero probrar tu proyecto le pido el favor de dar la contraseña para poder descomprimir el archivo de ante mano se lo agradezco.
Pcalero
La contraseña la tienes en tu correo, te animo a que te agregues al grupo https://www.facebook.com/groups/263101180770379/ para que veas más proyectos
marvin manuel rodriguez
me parece un proyecto interesante y sencillo muchas gracias por el aporte
Israel Mencía suarez
Gracias
Pcalero
La contraseña es “ELECTRONICA_PCM”, te animo a que te agregues al grupo https://www.facebook.com/groups/263101180770379/ para que veas más proyectos
un saludo
jcmay4
buen dia podria pasarme el pass del rar
Pcalero
“ELECTRONICA_PCM”
Lekh Raj
Good afternoon Sir please send the password thanks
Pcalero
“ELECTRONICA_PCM”
Carlos Vargas
Buenos días quisiera armar este amplificador, si pudiera facilitarme la contraseña se lo agradeciera mucho
Gonzalo
Contraseña?
Pcalero
«ELECTRONICA_PCM»
willy corrales
hola amigo, me colabora con la contraseña del RAR? gracias.
Pcalero
«ELECTRONICA_PCM»
Antonio Ortiz
Disculpe yo también quiero hacerlo ayúdeme